 |
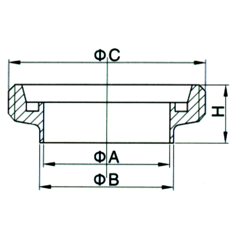
Sanitary Unions
KRAFT STAHL can produce sanitary unions with DIN, SMS, 3A, IDF, RJT, ISO, DS standards . The forged parts are made from round steel . machined by CNC machines . which can be done at different surface as clients' requirement.
Technical parameters
Size 1"-4" DN 10-DN 150 17.2-168.3
Material 304 304L 316 316L
Ordering Specifications
Standard
Size
Material
Surface qualities
Quantity
Example
Standard Size Material Surface qualities Quantity
SMS-15 25 304 3.Ra0.4 300
|
|
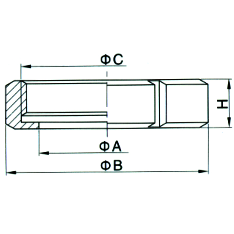
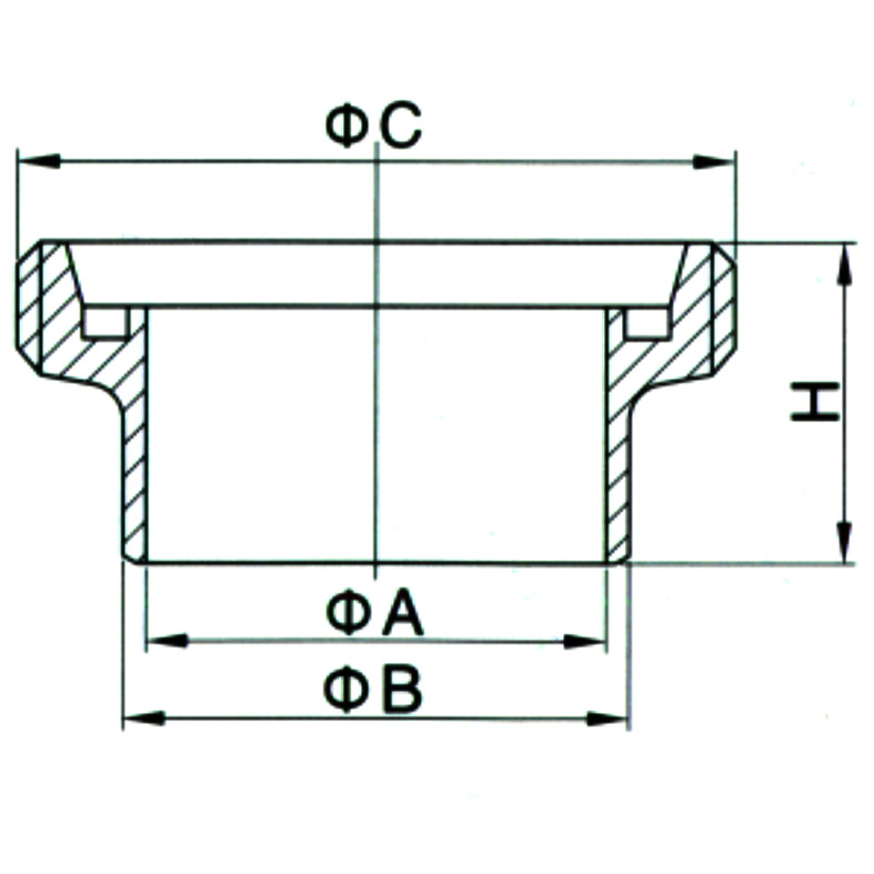
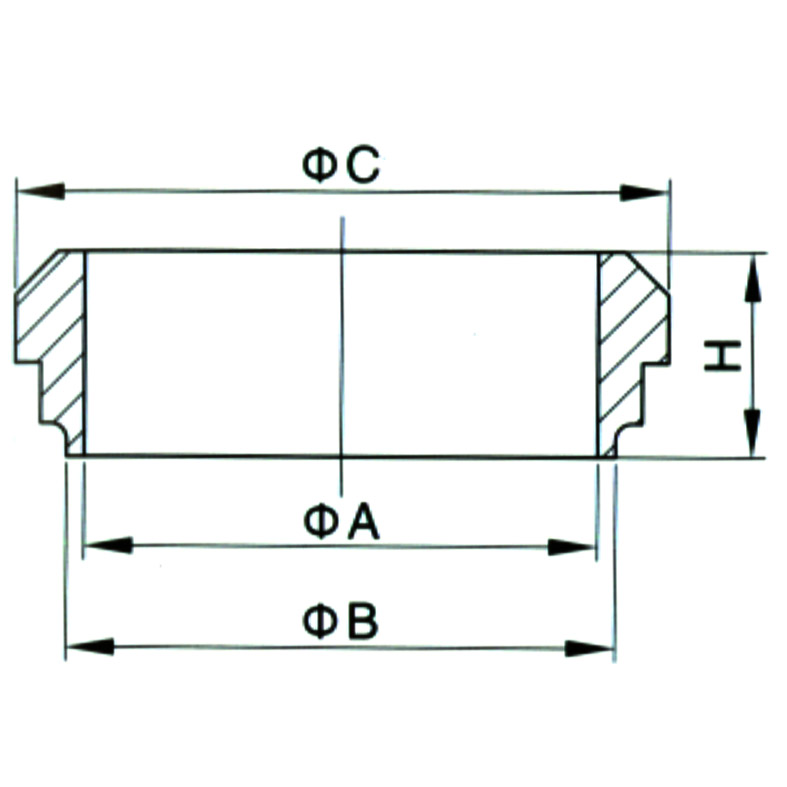
Nut |

KS-U3021
DN |
|
B |
|
H |
25 |
|
51 |
Rd40x1/6" |
20 |
32 |
40.5 |
60 |
Rd48x1/6" |
22 |
38 |
48 |
74 |
Rd60x1/6" |
25 |
51 |
61 |
84 |
Rd70x1/6" |
26 |
63.5 |
74 |
100 |
Rd85x1/6" |
30 |
76.1 |
87 |
114 |
Rd98x1/6" |
32 |
101.6 |
117 |
154 |
Rd132x1/6" |
45 |
104 |
113 |
140 |
Rd125x1/4" |
32 |
|
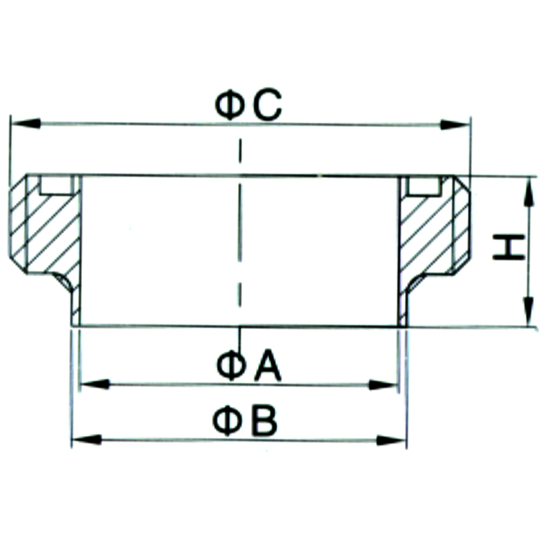
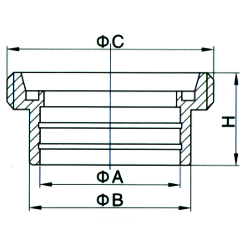
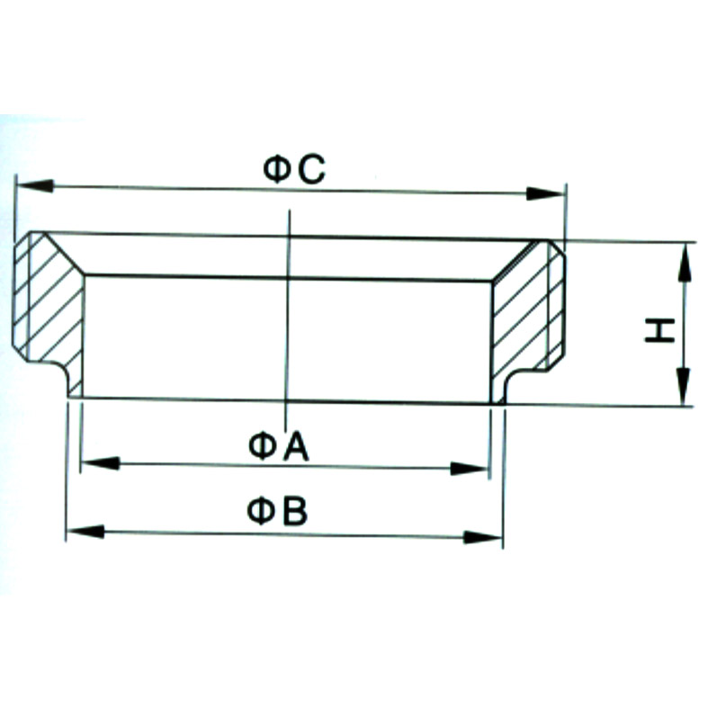
| Wilding Liner |

KS-U3022
DN |
|
B |
|
H |
25 |
|
25 |
35.5 |
15 |
32 |
29.5 |
32 |
43.5 |
15 |
38 |
35.5 |
38 |
55 |
20 |
51 |
48.5 |
51 |
65 |
20 |
63.5 |
60.5 |
63.5 |
80 |
24 |
76.1 |
72.9 |
76.1 |
93 |
24 |
101.6 |
97.6 |
101.6 |
127 |
30 |
104 |
100 |
104 |
118 |
30 |
|
| Wilding Male |

KS-U3023
DN |
|
B |
|
H |
25 |
|
25 |
Rd40x1/6" |
19 |
32 |
29.5 |
32 |
Rd48x1/6" |
19 |
38 |
35.5 |
38 |
Rd60x1/6" |
23 |
51 |
48.5 |
51 |
Rd70x1/6" |
23 |
63.5 |
60.5 |
63.5 |
Rd85x1/6" |
27 |
76.1 |
72.9 |
76.1 |
Rd98x1/6" |
27 |
101.6 |
97.6 |
101.6 |
Rd132x1/6" |
35 |
104 |
100 |
104 |
Rd125x1/4" |
30 |
|
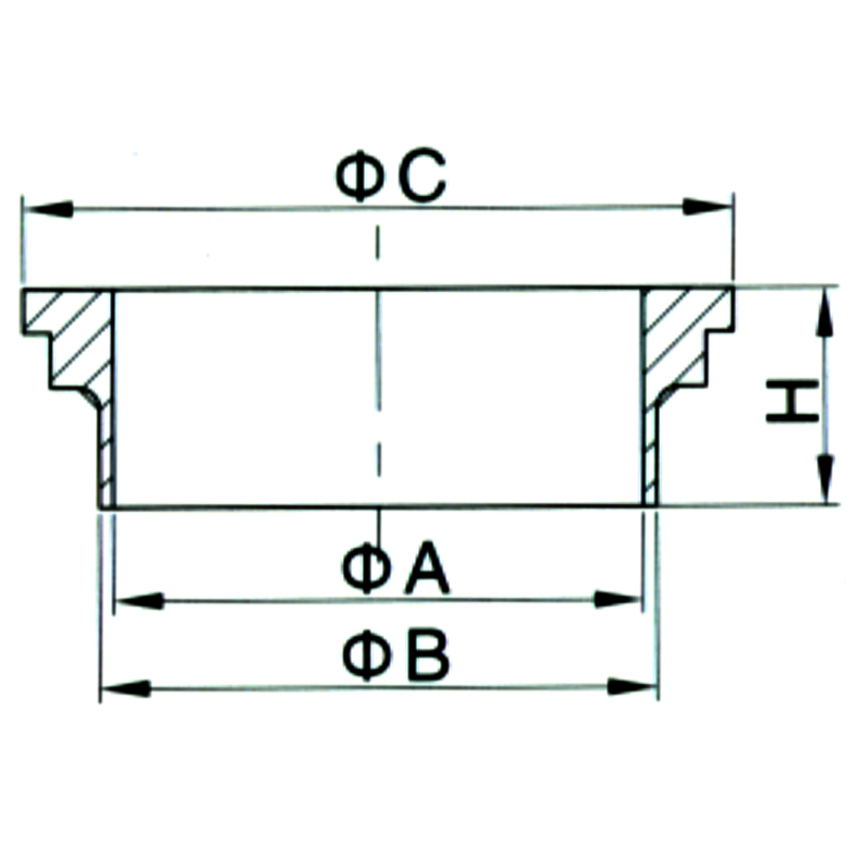
| Seal ring |

KS-U3024
DN |
|
B |
H |
25 |
|
31.8 |
5.3 |
32 |
29.8 |
47.8 |
5.3 |
38 |
35.8 |
60.8 |
5.3 |
51 |
48.8 |
60.8 |
5.3 |
63.5 |
61.0 |
73.3 |
5.3 |
76.1 |
73.4 |
85.8 |
5.3 |
101.6 |
100 |
115.7 |
5.3 |
104 |
100 |
115.7 |
5.3 |
|
| Wilding Liner |

KS-U3025
DN |
|
B |
|
H |
25 |
|
25 |
35.5 |
15 |
32 |
29.5 |
32 |
43.5 |
15 |
38 |
35.5 |
38 |
55 |
20 |
51 |
48.5 |
51 |
65 |
20 |
63.5 |
60.5 |
63.5 |
80 |
24 |
76.1 |
72.9 |
76.1 |
93 |
24 |
101.6 |
97.6 |
101.6 |
127 |
30 |
104 |
100 |
104 |
118 |
30 |
|
| Wilding Liner |

KS-U3026
DN |
|
B |
|
H |
25 |
|
25 |
35.5 |
7.5 |
32 |
29.5 |
32 |
43.5 |
7.5 |
38 |
35.5 |
38 |
55 |
9 |
51 |
48.5 |
51 |
65 |
9 |
63.5 |
60.5 |
63.5 |
80 |
9 |
76.1 |
72.9 |
76.1 |
93 |
10 |
101.6 |
97.6 |
101.6 |
127 |
12 |
104 |
100 |
104 |
118 |
12 |
|
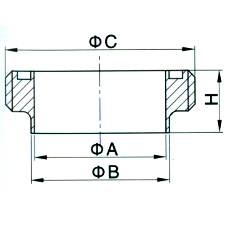
| Wilding Male |

KS-U3027
DN |
|
B |
|
H |
25 |
|
25 |
Rd40x1/6" |
15 |
32 |
29.5 |
32 |
Rd48x1/6" |
15 |
38 |
35.5 |
38 |
Rd60x1/6" |
20 |
51 |
48.5 |
51 |
Rd70x1/6" |
20 |
63.5 |
60.5 |
63.5 |
Rd85x1/6" |
24 |
76.1 |
72.9 |
76.1 |
Rd98x1/6" |
24 |
101.6 |
97.6 |
101.6 |
Rd132x1/6" |
28 |
104 |
100 |
104 |
Rd125x1/4" |
28 |
|
| Expanding Liner |

KS-U3028
DN |
|
B |
|
H |
25 |
|
31.5 |
35.5 |
15 |
32 |
32.2 |
40 |
43.5 |
15 |
38 |
38.2 |
47.5 |
55 |
20 |
51 |
51.2 |
60 |
65 |
20 |
63.5 |
63.7 |
73.5 |
80 |
24 |
76.1 |
76.3 |
86.5 |
93 |
24 |
101.6 |
101.8 |
116.5 |
127 |
27 |
104 |
104.2 |
112.5 |
118 |
27 |
|
| Expanding male |

KS-U3029
DN |
|
B |
|
H |
25 |
|
31.5 |
Rd40x1/6" |
15 |
32 |
32.2 |
40 |
Rd48x1/6" |
19 |
38 |
38.2 |
47.5 |
Rd60x1/6" |
23 |
51 |
51.2 |
60 |
Rd70x1/6" |
23 |
63.5 |
63.7 |
73.5 |
Rd85x1/6" |
27 |
76.1 |
76.3 |
86.5 |
Rd98x1/6" |
27 |
101.6 |
101.8 |
116.5 |
Rd132x1/6" |
35 |
104 |
104.2 |
112.5 |
Rd125x1/4" |
30 |
|
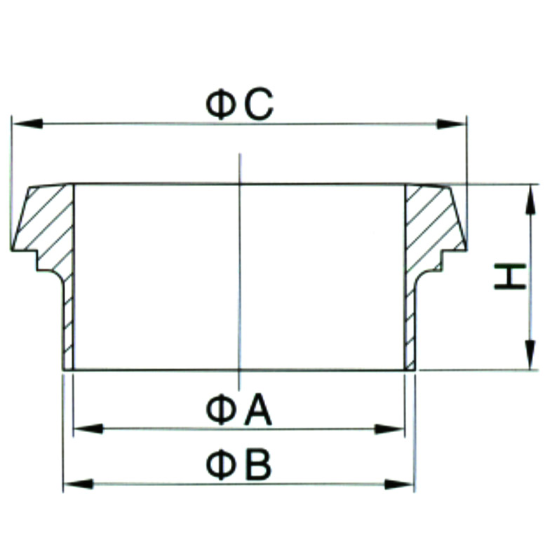
| Blank Liner |

KS-U3030
DN |
|
B |
H |
25 |
|
35.5 |
7.5 |
32 |
40 |
43.5 |
8 |
38 |
47.5 |
55 |
8 |
51 |
60 |
65 |
8 |
63.5 |
73.5 |
80 |
9 |
76.1 |
86.5 |
93 |
11 |
101.6 |
116.5 |
127 |
12 |
104 |
112.5 |
118 |
12 |
|
| Blank nut |

KS-U3031
DN |
|
|
H |
25 |
|
Rd40x1/6" |
20 |
32 |
60 |
Rd48x1/6" |
22 |
38 |
74 |
Rd60x1/6" |
25 |
51 |
84 |
Rd70x1/6" |
26 |
63.5 |
100 |
Rd85x1/6" |
30 |
76.1 |
114 |
Rd98x1/6" |
32 |
101.6 |
154 |
Rd132x1/6" |
45 |
104 |
140 |
Rd125x1/4" |
32 |
|
| Blank nut with boss |

KS-U3032
DN |
|
|
H |
25 |
|
Rd40x1/6" |
27 |
32 |
60 |
Rd48x1/6" |
29 |
38 |
74 |
Rd60x1/6" |
32 |
51 |
84 |
Rd70x1/6" |
33 |
63.5 |
100 |
Rd85x1/6" |
37 |
76.1 |
114 |
Rd98x1/6" |
39 |
101.6 |
154 |
Rd132x1/6" |
52 |
104 |
140 |
Rd125x1/4" |
39 |
|
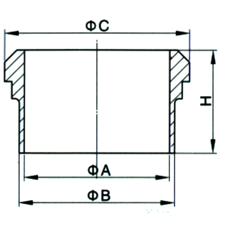
| Nut |

KS-U3001
DN |
|
B |
|
H |
10 |
|
38 |
Rd28x1/8" |
18 |
15 |
25 |
44 |
Rd34x1/8" |
18 |
20 |
31 |
54 |
Rd44x1/6" |
21 |
25 |
36 |
63 |
Rd52x1/6" |
21 |
32 |
42 |
70 |
Rd58x1/6" |
21 |
40 |
49 |
78 |
Rd65x1/6" |
21 |
50 |
62 |
92 |
Rd78x1/6" |
22 |
65 |
80 |
112 |
Rd95x1/6" |
25 |
80 |
94 |
127 |
Rd110x1/4" |
29 |
100 |
115 |
138 |
Rd130x1/4" |
31 |
125 |
138 |
178 |
Rd160x1/4" |
35 |
150 |
164 |
210 |
Rd190x1/4" |
40 |
|
| Welding Liner |

KS-U3002
DN |
|
B |
|
H |
10 |
|
15 |
22.5 |
17 |
15 |
16 |
21 |
28.5 |
17 |
20 |
20 |
25 |
36.5 |
18 |
25 |
26 |
31 |
44 |
22 |
32 |
32 |
37 |
50 |
25 |
40 |
38 |
43 |
56 |
26 |
50 |
50 |
55 |
68.5 |
28 |
65 |
66 |
72 |
86 |
32 |
80 |
81 |
87 |
100 |
37 |
100 |
100 |
106 |
121 |
44 |
125 |
125 |
132 |
150 |
34 |
150 |
150 |
157 |
176 |
37 |
|
| Welding male |

KS-U3003
DN |
|
B |
|
H |
10 |
|
15 |
Rd28x1/8" |
21 |
15 |
16 |
21 |
Rd34x1/8" |
21 |
20 |
20 |
25 |
Rd44x1/6" |
24 |
25 |
26 |
31 |
Rd52x1/6" |
29 |
32 |
32 |
37 |
Rd58x1/6" |
32 |
40 |
38 |
43 |
Rd65x1/6" |
33 |
50 |
50 |
55 |
Rd78x1/6" |
35 |
65 |
66 |
72 |
Rd95x1/6" |
40 |
80 |
81 |
87 |
Rd110x1/4" |
45 |
100 |
100 |
106 |
Rd130x1/4" |
54 |
125 |
125 |
132 |
Rd160x1/4" |
46 |
150 |
150 |
157 |
Rd190x1/4" |
50 |
|
| Seal ring |

KS-U3004
DN |
|
B |
|
H |
10 |
|
20 |
4.5 |
5 |
15 |
18 |
26 |
4.5 |
5 |
20 |
23 |
33 |
4.5 |
5 |
25 |
30 |
40 |
5 |
6 |
32 |
36 |
46 |
5 |
6 |
40 |
42 |
52 |
5 |
6 |
50 |
55 |
64 |
5 |
6 |
65 |
71 |
81 |
5 |
6 |
80 |
85 |
95 |
5 |
6 |
100 |
104 |
114 |
6 |
6 |
125 |
130 |
142 |
7 |
7 |
150 |
155 |
167 |
7 |
7 |
|
| Expanding Liner |

KS-U3005
DN |
|
B |
|
H |
10 |
|
18 |
4.5 |
21 |
15 |
18.2 |
24 |
4.5 |
21 |
20 |
22.2 |
30 |
4.5 |
24 |
25 |
28.2 |
35 |
5.0 |
29 |
32 |
34.2 |
41 |
5.0 |
32 |
40 |
40.2 |
48 |
5.0 |
33 |
50 |
52.2 |
61 |
5.0 |
35 |
65 |
70.3 |
79 |
5.0 |
40 |
80 |
85.3 |
93 |
5.0 |
45 |
100 |
104.3 |
114 |
6.0 |
54 |
125 |
129.3 |
137 |
7.0 |
46 |
150 |
154.3 |
163 |
7.0 |
50 |
|
| Expanding male |

KS-U3006
DN |
|
B |
|
H |
10 |
|
18 |
Rd28x1/8" |
21 |
15 |
18.2 |
24 |
Rd34x1/8" |
21 |
20 |
22.2 |
30 |
Rd44x1/6" |
24 |
25 |
28.2 |
35 |
Rd52x1/6" |
29 |
32 |
34.2 |
41 |
Rd58x1/6" |
32 |
40 |
40.2 |
48 |
Rd65x1/6" |
33 |
50 |
52.2 |
61 |
Rd78x1/6" |
35 |
65 |
70.3 |
79 |
Rd95x1/6" |
40 |
80 |
85.3 |
93 |
Rd110x1/4" |
45 |
100 |
104.3 |
114 |
Rd130x1/4" |
54 |
125 |
129.3 |
137 |
Rd160x1/4" |
46 |
150 |
154.3 |
163 |
Rd190x1/4" |
50 |
|
| Welding Liner |

KS-U3007
DN |
|
B |
|
H |
10 |
|
13 |
22.5 |
17 |
15 |
16 |
19 |
28.5 |
17 |
20 |
20 |
23 |
36.5 |
18 |
25 |
26 |
29 |
44 |
22 |
32 |
32 |
35 |
50 |
25 |
40 |
38 |
41 |
56 |
26 |
50 |
50 |
53 |
68.5 |
28 |
65 |
66 |
70 |
86 |
32 |
80 |
81 |
85 |
100 |
37 |
100 |
100 |
104 |
121 |
44 |
125 |
125 |
129 |
150 |
34 |
150 |
150 |
154 |
176 |
37 |
|
| Welding male |

KS-U3008
DN |
|
B |
|
H |
10 |
|
13 |
Rd28x1/8" |
21 |
15 |
16 |
19 |
Rd34x1/8" |
21 |
20 |
20 |
23 |
Rd44x1/6" |
24 |
25 |
26 |
29 |
Rd52x1/6" |
29 |
32 |
|
35 |
Rd58x1/6" |
32 |
40 |
38 |
41 |
Rd65x1/6" |
33 |
50 |
50 |
53 |
Rd78x1/6" |
35 |
65 |
66 |
70 |
Rd95x1/6" |
40 |
80 |
81 |
85 |
Rd110x1/4" |
45 |
100 |
100 |
104 |
Rd130x1/4" |
54 |
125 |
125 |
129 |
Rd160x1/4" |
46 |
150 |
150 |
155 |
Rd190x1/4" |
50 |
|
| Welding Liner |

KS-U3009
DN |
|
B |
|
H |
10 |
|
13 |
22.5 |
13 |
15 |
16 |
19 |
28.5 |
13 |
20 |
20 |
23 |
36.5 |
13 |
25 |
26 |
29 |
44 |
15 |
32 |
|
35 |
50 |
15 |
40 |
38 |
41 |
56 |
15 |
50 |
50 |
53 |
68.5 |
16 |
65 |
66 |
70 |
86 |
17 |
80 |
81 |
85 |
100 |
17 |
100 |
100 |
104 |
121 |
20 |
125 |
125 |
129 |
150 |
23.5 |
150 |
150 |
155 |
176 |
27 |
|
| Welding male |

KS-U3010
DN |
|
B |
|
H1 |
10 |
|
13 |
Rd28x1/8" |
17 |
15 |
16 |
19 |
Rd34x1/8" |
17 |
20 |
20 |
23 |
Rd44x1/6" |
19 |
25 |
26 |
29 |
Rd52x1/6" |
22 |
32 |
|
35 |
Rd58x1/6" |
22 |
40 |
38 |
41 |
Rd65x1/6" |
22 |
50 |
50 |
53 |
Rd78x1/6" |
23 |
65 |
66 |
70 |
Rd95x1/6" |
25 |
80 |
81 |
85 |
Rd110x1/4" |
25 |
100 |
100 |
104 |
Rd130x1/4" |
30 |
125 |
125 |
129 |
Rd160x1/4" |
35.5 |
150 |
150 |
155 |
Rd190x1/4" |
40 |
|
| Welding Liner |

KS-U3011
DN |
|
B |
|
H |
17.2 |
|
17.2 |
22.5 |
21 |
21.3 |
18.1 |
21.3 |
28.5 |
21 |
26.9 |
23.7 |
26.9 |
36.5 |
24 |
33.7 |
29.7 |
33.7 |
44 |
29 |
42.4 |
|
42.4 |
50 |
32 |
48.3 |
44.3 |
48.3 |
56 |
33 |
60.3 |
56.3 |
60.3 |
68.5 |
35 |
76.1 |
71.5 |
76.1 |
86 |
40 |
88.9 |
84.3 |
88.9 |
100 |
45 |
114.3 |
109.1 |
114.3 |
121 |
54 |
139.7 |
134.5 |
139.7 |
150 |
46 |
168.3 |
163.1 |
168.3 |
176 |
50 |
|
| Welding male |

KS-U3012
DN |
|
B |
|
H |
10 |
|
17.2 |
Rd28x1/8" |
21 |
15 |
18.1 |
21.3 |
Rd34x1/8" |
21 |
20 |
23.7 |
26.9 |
Rd44x1/6" |
24 |
25 |
29.7 |
33.7 |
Rd52x1/6" |
29 |
32 |
|
42.4 |
Rd58x1/6" |
32 |
40 |
44.3 |
48.3 |
Rd65x1/6" |
33 |
50 |
56.3 |
60.3 |
Rd78x1/6" |
35 |
65 |
71.5 |
76.1 |
Rd95x1/6" |
40 |
80 |
84.3 |
88.9 |
Rd110x1/4" |
45 |
100 |
109.1 |
114.3 |
Rd130x1/4" |
54 |
125 |
134.5 |
139.7 |
Rd160x1/4" |
46 |
150 |
163.1 |
168.3 |
Rd190x1/4" |
50 |
|
| Welding Liner |

KS-U3013
DN |
|
B |
|
H |
1/2" |
|
12.7 |
22.5 |
17 |
3/4" |
15.85 |
19.05 |
28.5 |
17 |
1.0" |
22.2 |
25.4 |
36.5 |
18 |
1-1/4" |
28.6 |
31.75 |
44 |
22 |
1-1/2" |
|
38.1 |
50 |
25 |
2.0" |
47.6 |
50.8 |
68.5 |
28 |
2-1/2" |
60.3 |
63.5 |
86 |
32 |
3.0" |
73.0 |
76.2 |
100 |
37 |
4.0" |
97.6 |
101.6 |
121 |
44 |
5.0" |
121.5 |
127.0 |
150 |
34 |
6.0" |
146.9 |
152.4 |
176 |
37 |
|
| Welding male |

KS-U3014
DN |
|
B |
|
H |
1/2" |
|
12.7 |
Rd28x1/8" |
21 |
3/4" |
15.85 |
19.05 |
Rd34x1/8" |
21 |
1.0" |
22.2 |
25.4 |
Rd52x1/6" |
29 |
1-1/4" |
28.6 |
31.75 |
Rd58x1/6" |
32 |
1-1/2" |
|
38.1 |
Rd65x1/6" |
33 |
2.0" |
47.6 |
50.8 |
Rd78x1/6" |
35 |
2-1/2" |
60.3 |
63.5 |
Rd95x1/6" |
40 |
3.0" |
73.0 |
76.2 |
Rd110x1/4" |
45 |
4.0" |
97.6 |
101.6 |
Rd130x1/4" |
54 |
5.0" |
121.5 |
127.0 |
Rd160x1/4" |
46 |
6.0" |
146.9 |
152.4 |
Rd190x1/4" |
50 |
|
| Reducing welding Liner |

KS-U3015
DN |
|
B |
|
H |
32-25 |
|
29 |
50 |
20 |
40-25 |
26 |
29 |
56 |
20 |
40-32 |
32 |
35 |
56 |
23 |
50-32 |
32 |
35 |
68.5 |
23 |
50-40 |
|
41 |
68.5 |
26 |
65-40 |
38 |
41 |
86 |
26 |
65-50 |
50 |
53 |
86 |
27 |
80-50 |
50 |
53 |
100 |
30 |
80-65 |
66 |
70 |
100 |
31 |
100-65 |
66 |
70 |
121 |
40 |
100-80 |
81 |
85 |
121 |
42 |
|
| Reducing Welding male |

KS-U3016
DN |
|
B |
|
H |
32-25 |
|
29 |
Rd58x1/6" |
27 |
40-25 |
26 |
29 |
Rd65x1/6" |
28 |
40-32 |
32 |
35 |
Rd65x1/6" |
25 |
50-32 |
32 |
35 |
Rd78x1/6" |
29 |
50-40 |
|
41 |
Rd78x1/6" |
35 |
65-40 |
38 |
41 |
Rd95x1/6" |
39 |
65-50 |
50 |
53 |
Rd95x1/6" |
40 |
80-50 |
50 |
53 |
Rd110x1/4" |
45 |
80-65 |
66 |
70 |
Rd110x1/4" |
46 |
100-65 |
66 |
70 |
Rd130x1/4" |
55 |
100-80 |
81 |
85 |
Rd130x1/4" |
49 |
|
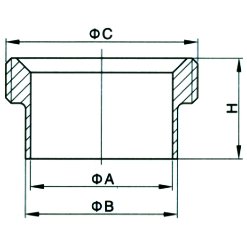
| Blank Liner |

KS-U3017
DN |
|
B |
|
H |
10 |
|
22.5 |
|
9 |
15 |
24 |
28.5 |
|
9 |
20 |
30 |
36.5 |
|
11 |
25 |
35 |
44 |
|
13 |
32 |
|
50 |
|
13 |
40 |
48 |
56 |
|
13 |
50 |
61 |
68.5 |
|
14 |
65 |
79 |
86 |
|
16 |
80 |
93 |
100 |
|
16 |
100 |
114 |
121 |
|
20 |
125 |
137 |
150 |
|
22 |
150 |
163 |
176 |
|
24 |
|
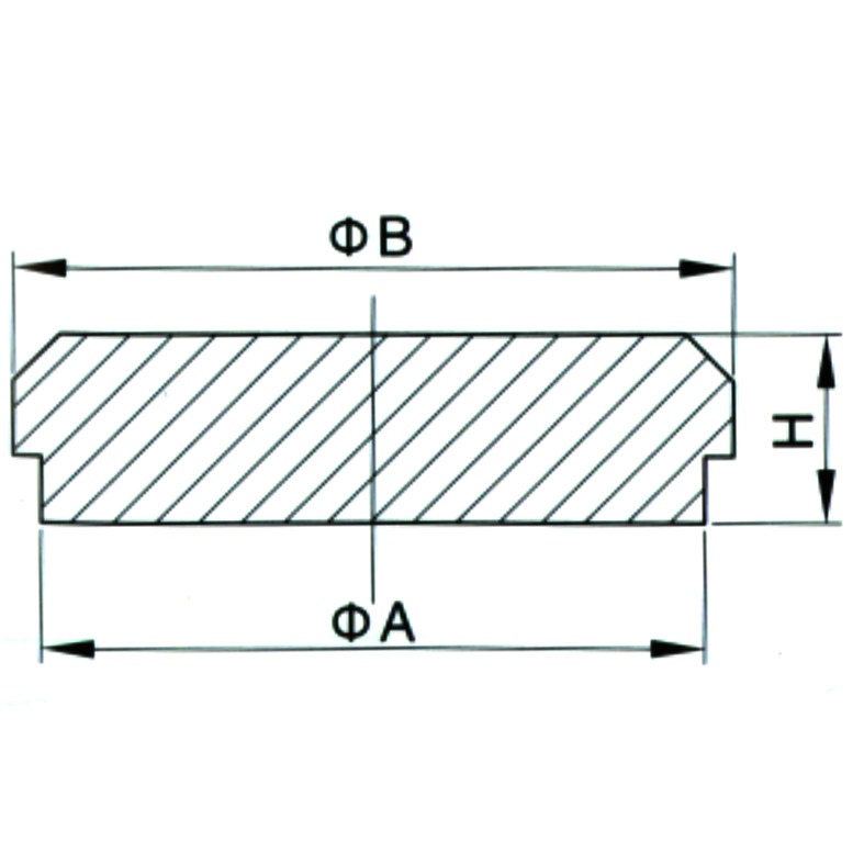
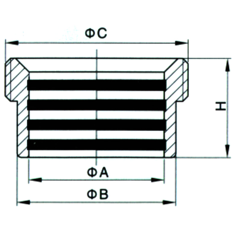
| Blank male |

KS-U3018
DN |
|
B |
|
SW |
10 |
|
Rd28x1/8" |
|
19 |
15 |
25 |
Rd34x1/8" |
|
22 |
20 |
25 |
Rd44x1/6" |
|
22 |
25 |
34 |
Rd52x1/6" |
|
27 |
32 |
|
Rd58x1/6" |
|
27 |
40 |
34 |
Rd65x1/6" |
|
27 |
50 |
34 |
Rd78x1/6" |
|
27 |
65 |
34 |
Rd95x1/6" |
|
27 |
80 |
34 |
Rd110x1/4" |
|
27 |
100 |
34 |
Rd130x1/4" |
|
27 |
125 |
44 |
Rd160x1/4" |
|
37 |
150 |
44 |
Rd190x1/4" |
|
37 |
|
| Blank nut |

KS-U3019
DN |
|
B |
H |
10 |
|
Rd28x1/8" |
18 |
15 |
44 |
Rd34x1/8" |
18 |
20 |
54 |
Rd44x1/6" |
21 |
25 |
63 |
Rd52x1/6" |
21 |
32 |
|
Rd58x1/6" |
21 |
40 |
78 |
Rd65x1/6" |
21 |
50 |
92 |
Rd78x1/6" |
22 |
65 |
112 |
Rd95x1/6" |
25 |
80 |
127 |
Rd110x1/4" |
29 |
100 |
138 |
Rd130x1/4" |
31 |
125 |
178 |
Rd160x1/4" |
35 |
150 |
210 |
Rd190x1/4" |
40 |
|
| Blank nut with boss |

KS-U3020
DN |
|
B |
H |
10 |
|
Rd28x1/8" |
25 |
15 |
44 |
Rd34x1/8" |
25 |
20 |
54 |
Rd44x1/6" |
28 |
25 |
63 |
Rd52x1/6" |
28 |
32 |
|
Rd58x1/6" |
28 |
40 |
78 |
Rd65x1/6" |
28 |
50 |
92 |
Rd78x1/6" |
29 |
65 |
112 |
Rd95x1/6" |
32 |
80 |
127 |
Rd110x1/4" |
36 |
100 |
138 |
Rd130x1/4" |
28 |
125 |
178 |
Rd160x1/4" |
42 |
150 |
210 |
Rd190x1/4" |
47 |
|
| Hexagonal nut |

KS-U3033
DN |
|
B |
|
SW |
1.0" |
|
30.3 |
23 |
46 |
1.5" |
51.54 x 8TPI ACME |
43.4 |
24.6 |
61.1 |
2.0" |
65.05 x 8TPI ACME |
56.5 |
27 |
76.2 |
2.5" |
78.56 x 8TPI ACME |
69.6 |
29.6 |
91.3 |
3.0" |
|
82.7 |
32.5 |
106.4 |
4.0" |
120.14 x 8TPI ACME |
108.9 |
38.1 |
137.6 |
|
| Welding Liner |

KS-U3034
DN |
|
B |
|
H |
1.0" |
22.1 |
25.4 |
33.3 |
18.2 |
1.5" |
34.8 |
38.1 |
46.9 |
18.2 |
2.0" |
47.5 |
50.8 |
60.5 |
19 |
2.5" |
60.2 |
63.5 |
74 |
22.2 |
3.0" |
72.9 |
76.2 |
87.5 |
23.1 |
4.0" |
97.4 |
101.6 |
114.5 |
26.2 |
|
| Welding male |

KS-U3035
DN |
|
B |
|
H |
1.0" |
22.1 |
25.4 |
|
18.3 |
1.5" |
34.8 |
38.1 |
50.65 x 8TPI ACME |
18.3 |
2.0" |
47.5 |
50.8 |
64.16 x 8TPI ACME |
19.1 |
2.5" |
60.2 |
63.5 |
77.67 x 8TPI ACME |
22.2 |
3.0" |
72.9 |
76.2 |
|
23.1 |
4.0" |
97.4 |
101.6 |
119.25 x 8TPI ACME |
26.2 |
|
| Blank Liner |

KS-U3036
DN |
|
B |
|
1.0" |
22.1 |
33.3 |
11.9 |
1.5" |
34.8 |
46.9 |
14.3 |
2.0" |
47.5 |
60.5 |
15.9 |
2.5" |
60.2 |
74 |
16.7 |
3.0" |
72.9 |
87.5 |
18.3 |
4.0" |
97.4 |
114.5 |
20.6 |
|
| Welding Liner |

KS-U3037
DN |
|
B |
|
H |
1.0" |
22.1 |
25.4 |
33.3 |
34.9 |
1.5" |
34.8 |
38.1 |
46.9 |
38.1 |
2.0" |
47.5 |
50.8 |
60.5 |
38.1 |
2.5" |
60.2 |
63.5 |
74 |
44.5 |
3.0" |
72.9 |
76.2 |
87.5 |
44.5 |
4.0" |
97.4 |
101.6 |
114.5 |
44.5 |
|
| Welding male |

KS-U3038
DN |
|
B |
|
H |
1.0" |
22.1 |
25.4 |
|
34.9 |
1.5" |
34.8 |
38.1 |
50.65 x 8TPI ACME |
38.1 |
2.0" |
47.5 |
50.8 |
64.16 x 8TPI ACME |
38.1 |
2.5" |
60.2 |
63.5 |
77.67 x 8TPI ACME |
44.5 |
3.0" |
72.9 |
76.2 |
|
44.5 |
4.0" |
97.4 |
101.6 |
119.25 x 8TPI ACME |
44.5 |
|
| Expanding Liner |

KS-U3039
DN |
|
B |
|
H |
1.0" |
22.1 |
29.5 |
33.3 |
19.1 |
1.5" |
34.8 |
42.6 |
46.9 |
28.6 |
2.0" |
47.5 |
55.7 |
60.5 |
33.3 |
2.5" |
60.2 |
68.8 |
74 |
34.9 |
3.0" |
72.9 |
81.9 |
87.5 |
36.5 |
4.0" |
97.4 |
108.1 |
114.5 |
38.1 |
|
| Expanding male |

KS-U3040
DN |
|
B |
|
H |
1.0" |
22.1 |
29.5 |
|
20.6 |
1.5" |
34.8 |
42.6 |
50.65 x 8TPI ACME |
28.6 |
2.0" |
47.5 |
55.7 |
64.16 x 8TPI ACME |
34.9 |
2.5" |
60.2 |
68.8 |
77.67 x 8TPI ACME |
38.1 |
3.0" |
72.9 |
81.9 |
|
41.3 |
4.0" |
97.4 |
108.1 |
119.25 x 8TPI ACME |
41.3 |
|